Набор для сборки усилителя
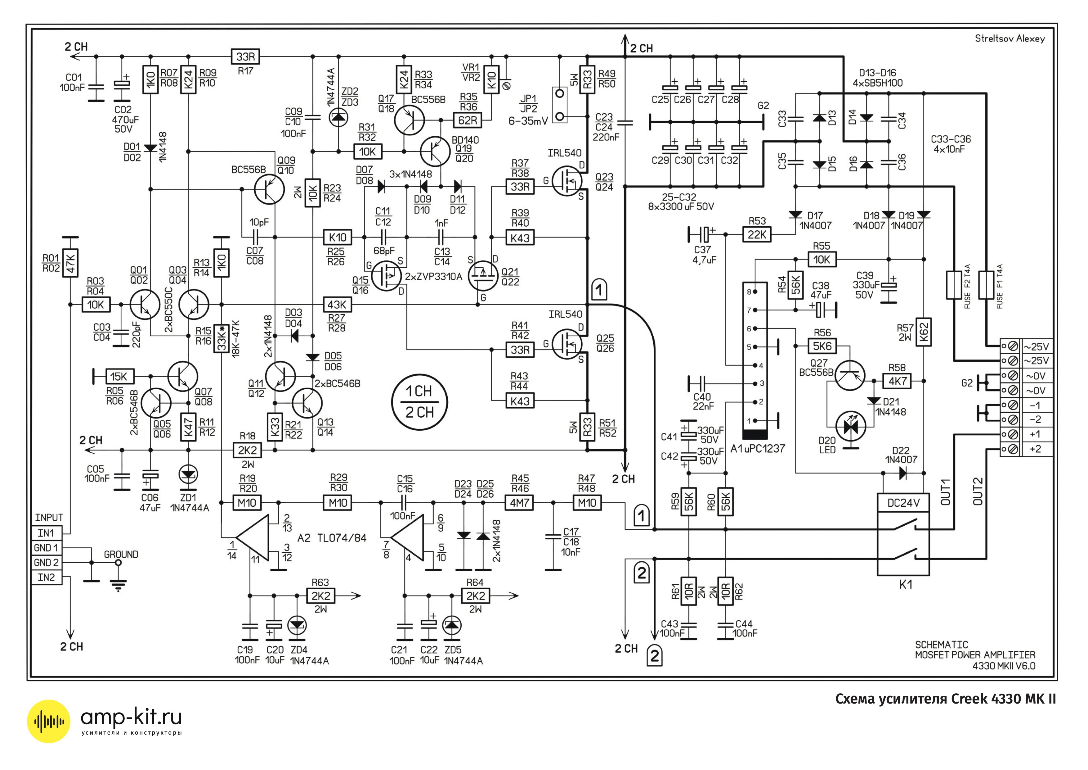
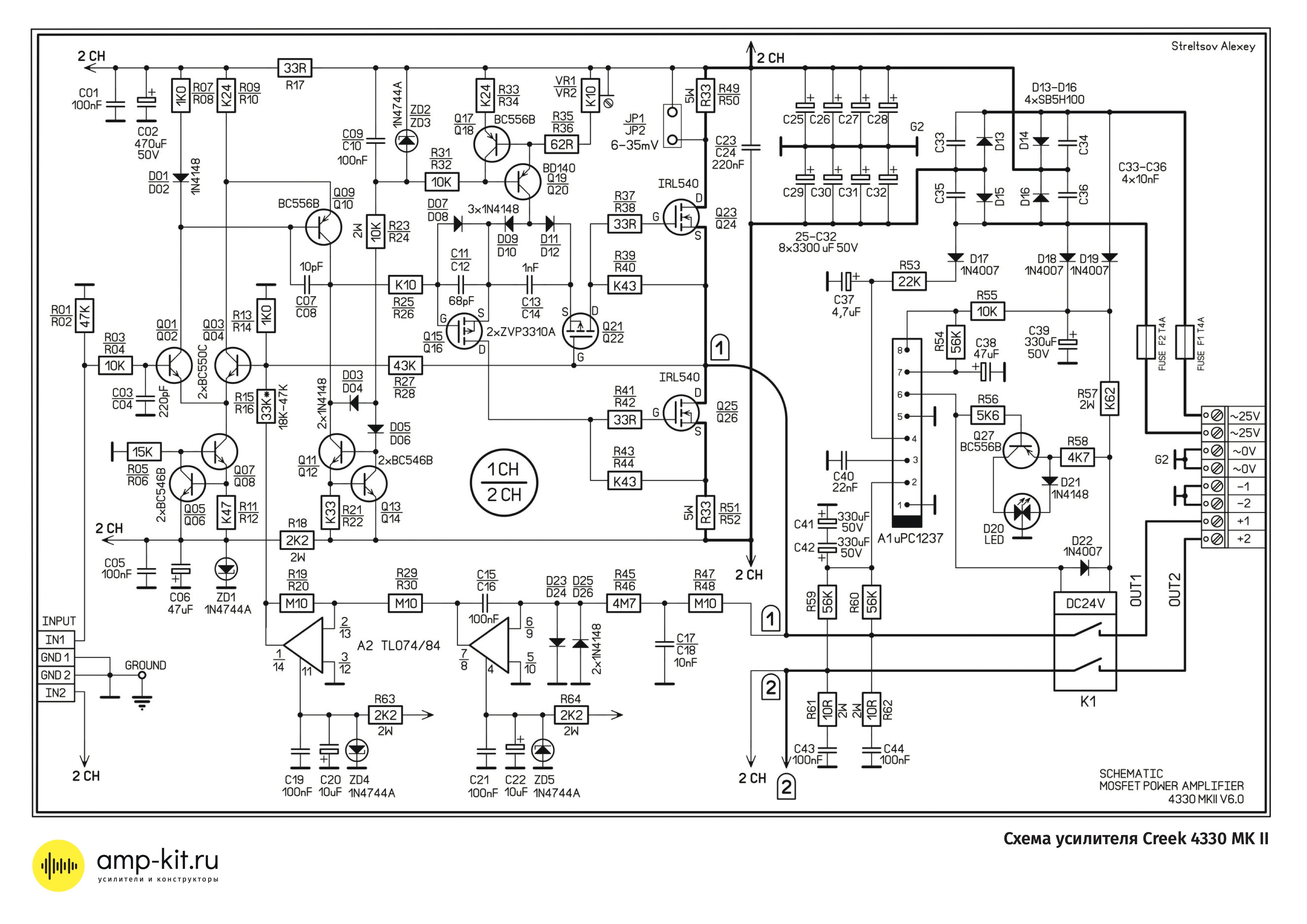
Creek 4330 mk II
Creek 4330 mk II
Легендарная схемотехника Алексея Никитина на N-канальных MOSFET транзисторах.
40 Вт мощности на 8 Ом, которые заставят забыть о существовании более дорогих усилителей.
Разработка схемы инженером Creek Audio Алексеем Никитиным, признанная американским журналом Stereophile «Бюджетным компонентом года».
Простая схема с феноменальным результатом — передача музыки без искажений и потерь, доступная для самостоятельной сборки.
Разработка схемы инженером Creek Audio Алексеем Никитиным, признанная американским журналом Stereophile «Бюджетным компонентом года».
Простая схема с феноменальным результатом — передача музыки без искажений и потерь, доступная для самостоятельной сборки.
Набор для сборки усилителя Creek 4330
Легендарная схемотехника Алексея Никитина на N-канальных MOSFET транзисторах.
40 Вт мощности на 8 Ом, которые заставят забыть о существовании более дорогих усилителей.
Разработка схемы инженером Creek Audio Алексеем Никитиным, признанная американским журналом Stereophile «Бюджетным компонентом года».
Простая схема с феноменальным результатом — передача музыки без искажений и потерь, доступная для самостоятельной сборки.
Купить
набор усилителя
Creek 4330
Купить набор усилителя
Creek 4330
Выберите свою конфигурацию:
Характеристики
| Выходная мощность и искажения | |
|---|---|
| Выходная мощность (8 Ом) | 40 Вт |
| Выходная мощность (4 Ом) | 65-70 Вт |
| Коэффициент искажений (0,1 Ом, ток покоя 100 мА) | < 0,05% |
| Диапазон частот | 3 Гц – 25000 Гц – 1 дБ |
| Разделение каналов | > 60 дБ |
| Отношение Сигнал / шум | > 100 дБ |
| Выходное сопротивление | ≈ 0,1 Ом |
| Входное сопротивление | 47 кОм |
| Входная чувствительность | 400 мВ для 40 Вт |
| Режим работы выходного каскада | |
|---|---|
| Класс усиления | AB/A двухтактный |
| Оптимальный ток покоя | 70-100 мА |
| Максимальный ток в пике | > 18 A |
| Блок питания | |
|---|---|
| Напряжение питания (переменный ток) | ±25…±35 В |
| Мощность трансформатора | 120 Вт (на 2 канала) |
| Емкость фильтра (на канал) | 13 200 мкФ |
| Теплоотвод и охлаждение | |
|---|---|
| Тепловое сопротивление радиатора | ≤ 1-1,5 °C/Вт |
| Изоляция выходных транзисторов | Керамические прокладки |
| Термопаста | С обеих сторон (идет в комплекте) |
| Фиксация | Винт М4 через изолирующую втулку |
| Размеры, мм | |
|---|---|
| Печатная плата | 172 х 115 х 1,5 |
| Радиатор | 172 х 40 х 50 |
| Собранное изделие | 172 х 155 х 50 |
| Дополнительно | |
|---|---|
| Софтстарт (задержка включения) | Присутствует |
| Защита | От постоянного тока на выходе |
| Предварительный усилитель | На микросхеме LF347N/TL084 |
Инструкция по сборке
Для кого подойдет
Радиолюбители
Вы помните звук советских усилителей «Радиотехника», собирали приемники в юности и цените возможность понимать, как работает схема. Усилитель Никитина — это возвращение к истокам с современным качеством. Простая, понятная схема с небольшим количеством деталей, которую можно собрать своими руками и настроить под свой вкус.
Меломаны
Вы слушаете классическую музыку, джаз, вокал и хотите слышать натуральные тембры живых инструментов без искажений. Вы знаете, что за $2000-3000 можно купить бренд и маркетинг, а можно получить звук, который передает музыку без «реставрации» в восприятии слушателя.
DIY-энтузиасты
Вы собираете усилитель на века, без переплаты за бренд и логотип, и сможете модернизировать его сами. Схема проверена тысячами сборок по всему миру.
Варианты сборок от покупателей
Ответы на вопросы (FAQ)
Нужна ли доработка схемы?
Какие конденсаторы использовать?
Можно ли заменить выходные транзисторы?
Что входит в комплект
| Печатная плата (завод изготовитель «Резонит») | 1 шт. |
| Алюминиевый радиатор с крепежными отверстиями под винты М3 | 1 шт. |
| Радиодетали для сборки (если конструктор) | |
| Собранный и настроенный модуль усилителя (если заказали сборку) | 1 шт. |
| Керамические теплопроводные прокладки | 4 шт. |
| Изолирующие втулки | 4 шт. |
| Теплопроводная паста | 1 шт. |
| Перечень компонентов | 1 шт. |
| Инструкция по сборке и настройке | 1 шт. |
| Принципиальная схема усилителя | 1 шт. |
| Лист разметки крепежных отверстий для крепления платы к корпусу | 1 шт. |
| Болтики, винтики, шайбы | |
Инструкция по сборке
Сборка и настройка Creek 4330 mk II
Звук глазами экспертов
Что говорят те, кто слышал
Профессиональная оценка
Схема, использованная в Creek 4330 Mk2 — является самой уникальной по отношению «цена – достоверность воспроизведения» из когда-либо слышанных мной! После небольшой доработки он значительно превосходит свою ценовую группу!
– Григор Микаэлян, audiomusic-hifi.ru
Источник - audies.ru
– Григор Микаэлян, audiomusic-hifi.ru
Источник - audies.ru
Сравнение с Hi-End
«Интегрированный усилитель Classe Audio Delta CAP 2100 не может в той же мере справиться с передачей сложнейшей трактовки музыкантов, как этот Creek 4330 Mk2 — хотя общее звучание у Classe Audio «по-хай-эндовому» чисто и гладко».
Простой усилитель Creek 4330 Mk2 (продавался за $500-700) не растерялся в комплекте с проигрывателем Classe Audio Delta CDP 502 ($8000) и колонками B&W 805 S ($2600).
Источник - audies.ru
Простой усилитель Creek 4330 Mk2 (продавался за $500-700) не растерялся в комплекте с проигрывателем Classe Audio Delta CDP 502 ($8000) и колонками B&W 805 S ($2600).
Источник - audies.ru
Живой опыт
«На одной из выставок играла связка из 4330 и 12-х Эпосов. Народ шёл по коридору мимо открытой двери и большинство непроизвольно поворачивали голову на звук. Потом смотрели на табличку «Creek Audio» и трясли головой, отгоняя наваждение, поскольку марка всегда была ассоциирована с дешёвой бюджетной аппаратурой
Источник - vegalab.ru
Источник - vegalab.ru
Пользовательский опыт
«Очень понравилось. Огонь! Бедный НЧ динамик! Досталось ему по полной. Наверное только усилитель Худа, который в чистом А классе трудится, смог бы…»
Источник - vegalab.ru
Источник - vegalab.ru
Перестаньте переплачивать за логотип
В мире Hi-Fi вы платите не за качество звука, а за маркетинг, дизайн корпуса и имя на передней панели. Усилитель Никитина — это возможность получить звук уровня $2000-3000 за цену самостоятельной сборки.
Схема проверена десятилетиями эксплуатации, тысячами сборок по всему миру и профессиональными рецензентами. Она не требует дефицитных компонентов, сложной настройки или специального оборудования.
Это ваш шанс собрать легенду.
Схема проверена десятилетиями эксплуатации, тысячами сборок по всему миру и профессиональными рецензентами. Она не требует дефицитных компонентов, сложной настройки или специального оборудования.
Это ваш шанс собрать легенду.
Что понадобиться для запуска усислителя
Трансформатор переменного тока
Необходимое питание - трансформатор 2х25-30 В мощностью 120-150 Ватт. Рекомендую использовать тороидальные трансформаторы.
Регулятор громкости или предварительный усилитель
В качестве регулятора громкости можно использовать потенциометр на 50кОм. Рекомендую присмотреться к вариантам от фирмы Alps.
Так же можно использовать более "качественный" варинат - регулятор Никитина на бистабильный реле. Рекомендую сборку от Максима Волобуева.
Или подключить к выходу вашего предварительного усилителя.
Так же можно использовать более "качественный" варинат - регулятор Никитина на бистабильный реле. Рекомендую сборку от Максима Волобуева.
Или подключить к выходу вашего предварительного усилителя.
Разъемы для подключения акустики
RCA терминалы для входа, и акустические терминалы для выхода.
Корпус
Рекомендую использовать алюминиевый корпус с пассивной или активной вентиляцией. Радиатор усилителя в таком случае через терпопасту установить непосредственно к корпусу.
Для лучшего охлаждения лучше использовать корпуса с внешним радиатором.
Закрытый корпус без вентиляции не рекомендуется использовать!
Для лучшего охлаждения лучше использовать корпуса с внешним радиатором.
Закрытый корпус без вентиляции не рекомендуется использовать!
Видеобзоры